


60 bar, 0,65 bar Differenzdruck
Bitte loggen Sie sich ein, um den Preis zu sehen
Beschreibung
Anwendung
In Kältemittelverdichtern ist das Überwachen des Schmiersystems besonders wichtig.
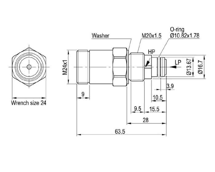
Eine sehr zuverlässige Methode für Hubkolbenverdichter ist dabei die KRIWAN Differenzdrucküberwachung. Diese besteht aus zwei Komponenten, dem Einschraubteil und einer separat erhältlichen Auswerteelektronik. Das DELTA-P Einschraubteil wird direkt in das Pumpengehäuse eingeschraubt und ist über interne Kanäle mit dem Saug- und Hochdruck der Ölpumpe verbunden, damit entfallen außenliegende Rohrleitungen und Bördelanschlüsse. Bei Montage oder Tausch der Auswerteelektronik muss das Einschraubteil nicht ausgebaut werden. Der Kältekreislauf bleibt geschlossen.
Funktionsbeschreibung
Die Differenz zwischen Hoch- und Saugdruck beeinflusst die Lage eines beweglichen Kolbens. Diese wird durch die montierte Auswerteelektronik erfasst.
